F7319
The disk in a flange globe valve can be out of the path of flow or close to the path of flow entirely. The disk moves normally to the seat when closing or opening the valve. The movement creates an annular area between the seat rings which gradually closes when the disc is closed. This enhances the throttling capability of the flanged globe valve which is very important for regulating fluid flow.
This valve has very minimal leakage relative to other valves like gate valves. This is because the flange globe valve has the discs and seat rings making a good contact angle which forms a tight seal against fluid leakage.
The range can be engineered to suit your application, with body construction, material, and ancillary features optimised to meet your process needs. Being ISO 9001 certified, we adopt systematic ways to ensure high quality, you can be assured of outstanding reliability and sealing performance through the design life of your asset.
· Design and Manufacture conform to BS5163
· Flange dimensions conform to EN1092-2 PN16
· Face to face dimensions conform to BS5163
· Testing conform to BS516, 3EN12266-1
· Driving mode: Hand wheel, square cover
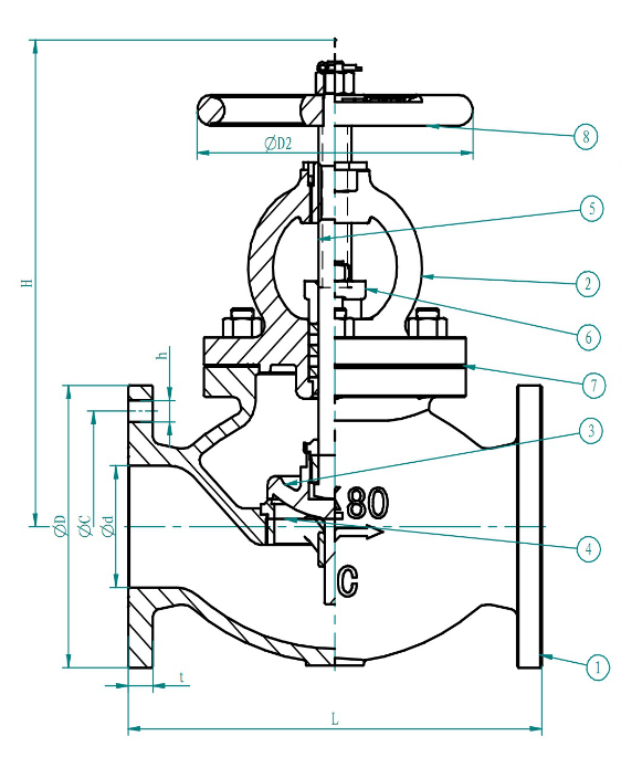
| HANDWHEEL | FC200 |
| GASKET | NON-ASBESTES |
| PACKING GLAND | BC6 |
| STEM | SUS403 |
| VALVE SEAT | SCS2 |
| DISC | SCS2 |
| BONNET | SC480 |
| BODY | SC480 |
| NAME OF PART | MATERIAL |

Globe Valve Function
Globe valves are commonly used as an on/off valve, but they may be used for throttling systems. The gradual change in spacing between the disk and seat ring gives the globe valve good throttling ability. These linear motion valves can be used in a variety of applications as long as the pressure and temperature limits are not exceeded, and the process does not require special materials to combat corrosion. Globe valve also have a smaller chance of damage to the seat or valve plug by the fluid, even if the seat is in the partially open position.
| DN | d | L | D | C | NO. | h | t | H | D2 |
| 50 | 50 | 220 | 155 | 120 | 4 | 19 | 16 | 270 | 160 |
| 65 | 65 | 270 | 175 | 140 | 4 | 19 | 18 | 300 | 200 |
| 80 | 80 | 300 | 185 | 150 | 8 | 19 | 18 | 310 | 200 |
| 100 | 100 | 350 | 210 | 175 | 8 | 19 | 18 | 355 | 250 |
| 125 | 125 | 420 | 250 | 210 | 8 | 23 | 20 | 415 | 280 |
| 150 | 150 | 490 | 280 | 240 | 8 | 23 | 22 | 470 | 315 |
| 200 | 200 | 570 | 330 | 290 | 12 | 23 | 22 | 565 | 355 |