NO.109
A straight pattern globe valve has several advantages that other valves do not have. It can smoothly handle a variety of fluids in pipelines, like normal liquid, liquids with solid particles (gas, powder, slurry), and high viscosity fluids. The machine has medium to good throttling capability with shutoff capability. Furthermore, it is a shorter stroke in comparison to a gate valve. So, we recommend you use a straight pattern globe valve.
· DESIGN STANDARD:JIS F 7305-1996
· TEST: JIS F 7400-1996
· TEST PRESSURE/MPA
· BODY: 300 OR LESS:3.3
350:0.9
· SEAT: 300 OR LESS:0.77
350:0.662.42
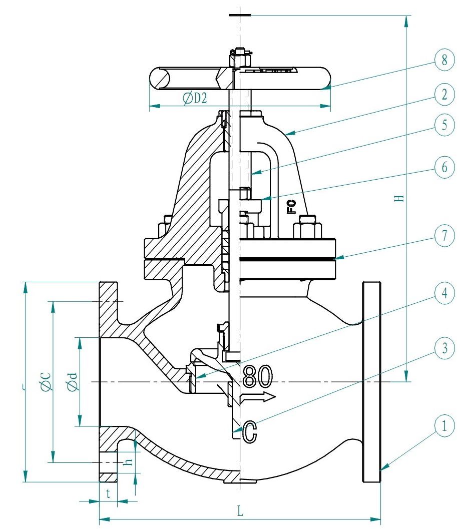
| HANDWHEEL | FC200 |
| GASKET | |
| PACKING GLAND | BC6 |
| STEM | C3771BD OR BE |
| VALVE SEAT | BC6 |
| DISC | BC6 |
| BONNET | FC200 |
| BODY | FC200 |
| NAME OF PART | MATERIAL |

| BC6 | L | D | C | NO. | H | T | H | D2 | |
| 50 | 50 | 210 | 130 | 105 | 4 | 15 | 16 | 270 | 160 |
| 65 | 65 | 250 | 155 | 130 | 4 | 15 | 18 | 300 | 180 |
| 80 | 80 | 280 | 180 | 145 | 4 | 19 | 18 | 310 | 180 |
| 100 | 100 | 340 | 200 | 165 | 8 | 19 | 20 | 360 | 224 |
| 125 | 125 | 410 | 235 | 200 | 8 | 19 | 20 | 390 | 250 |
| 150 | 150 | 480 | 265 | 230 | 8 | 19 | 22 | 445 | 280 |
| 200 | 200 | 570 | 320 | 280 | 12 | 23 | 24 | 530 | 315 |
| 250 | 250 | 740 | 385 | 345 | 12 | 23 | 26 | 650 | 355 |
| 300 | 300 | 840 | 430 | 390 | 12 | 23 | 28 | 740 | 400 |
| 350 | 335 | 940 | 480 | 435 | 12 | 23 | 30 | 840 | 500 |