F7414
A variation on the straight globe valve, angle globe valves’ have a design that encourages the media to flow at a 90° angle, thus generating a lesser pressure drop. Preferred for regulating liquid or air media, angle globe valves are also ideal for applications that require pulsating flow due to their superior slugging effect capability.
With over 10 years of production expertise and employing the latest in manufacturing technology, I-FLOW is your supplier of choice for quality angle globe valves. Production is tailor-made to your specific needs.
The range can be engineered to suit your application, with body construction, material, and ancillary features optimised to meet your process needs. Being ISO 9001 certified, we adopt systematic ways to ensure high quality, you can be assured of outstanding reliability and sealing performance through the design life of your asset.
· DESIGN STANDARD:JIS F 7313-1996
· TEST: JIS F 7400-1996
· TEST PRESSURE/MPA
· BODY: 3.3
· SEAT: 2.42-0.4
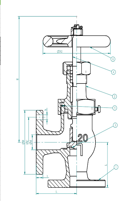
| HANDWHEEL | FC200 |
| GASKET | NON-ASBESTES |
| STEM | C3771BD OR BE |
| DISC | BC6 |
| BONNET | BC6 |
| BODY | BC6 |
| NAME OF PART | MATERIAL |

Method of Control
Globe valves have a disk which can completely open or completely close the flow path. This is done with the perpendicular movement of the disk away from the seat. The annular space between the disk and seat ring gradually changes to allow fluid flow through the valve. As the fluid travels through the valve it changes direction many times and increases the pressure. In most cases, globe valves are installed with the stem vertical and the fluid stream connected to the pipe side above the disk. This helps to maintain a tight seal when the valve is fully closed. When the globe valve is open, the fluid flows through the space between the edge of the disk and the seat. The flow rate for the media is determined by the distance between the valve plug and the valve seat.
| DN | d | L | D | C | NO. | h | t | H | D2 |
| 15 | 15 | 70 | 95 | 70 | 4 | 15 | 12 | 140 | 80 |
| 20 | 20 | 75 | 100 | 75 | 4 | 15 | 14 | 150 | 100 |
| 25 | 25 | 85 | 125 | 90 | 4 | 19 | 14 | 170 | 125 |
| 32 | 32 | 95 | 135 | 100 | 4 | 19 | 16 | 170 | 125 |
| 40 | 40 | 100 | 140 | 105 | 4 | 19 | 16 | 180 | 140 |